您當前的位置:
-
產品名稱:JRNT復合迷你倒裝型氣液增壓缸
作動方式:雙動
作動條件:4~7kg/cm2壓縮空氣
液壓抗磨油:VG68#抗磨液壓油
工作溫度:0~60℃
操作速度:50~450mm/s
油缸耐壓:300kg/cm2
氣缸耐壓:12kg/cm2
預壓行程公差:+1.00mm 0.00mm
力行程公差:+0.20mm 0.00mm
工作頻率:30~60次/min
高壓出力:1~14噸
玖容廠家直銷!可訂制!
-
在線聯系
JRNT復合迷你倒裝型氣液增壓缸
【JRNT復合迷你倒裝型氣液增壓缸】:
JRNT復合迷你倒裝型氣液增壓缸為JRG復合式迷你型氣液增壓缸的倒裝型,被廣泛應用于對預壓行程長度要求不是很長的以及安裝空間小的場合中。 JRNT復合式迷你倒裝型氣液增壓缸特點在于倒裝,迷你型,儲油筒內置,縱向長度較短,動作行程短,速度特快(有一定行程限制),工作速度穩定。
【JRNT復合迷你倒裝型氣液增壓缸操作條件】:
咨詢熱線:400-833-2669
【JRNT復合迷你倒裝型氣液增壓缸產品特點】:
1、外形結構簡單輕巧,復合倒裝型增壓缸 2、動作速度快,出力平穩
3、操作簡單,易維護
4、適用于:產品成型,塑料熔接,電子元件鉚接,金屬板件成型等場合
5、安裝方式:倒裝
6、可非標定制,玖容氣液增壓缸廠家直銷價格從優,歡迎選購。 【JRNT復合迷你倒裝型氣液增壓缸訂購代碼】:
【 JRNT復合迷你倒裝型氣液增壓缸產品提升力及理論輸出力對照表】:
【JRNT復合迷你倒裝型氣液增壓缸安裝尺寸表】:
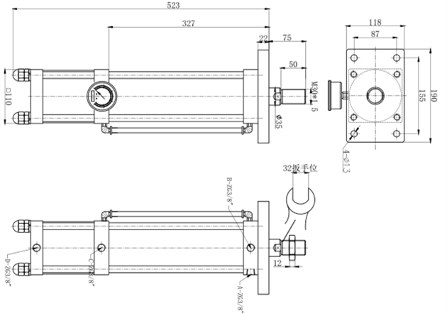
【JRNT復合迷你倒裝型氣液增壓缸產品外形尺寸圖】: 注:此復合迷你倒裝型氣液增壓缸設計圖僅僅是舉例,因為不同規格產品外形尺寸有所差異,具體設計圖會在下單時由我司技術給出。玖容氣液增壓缸廠家,到目前為止,已為3000多家企業進行了針對性的產品定制服務,服務過上萬家客戶,歡迎廣大新老客戶選型報價。 【玖容氣液增壓缸產品優勢】:
☆操作簡單:氣液增壓缸結構較為簡單,采用氣液結合形式,出力容易調整,可采用自動控制裝置。
☆出力大:出力從1-200t不等,實際出力要比理論出力要大。
☆速度快:動作速度平穩快速,為客戶解決速度慢的問題。
☆精度高:產品設計新穎,外觀精美,力行程公差精確達到+0.2mm ,0.00mm
☆壽命長:產品敢于保修,所銷售氣液增壓產品極少出現返修的情況,平均壽命可達5年以上。
☆故障低:運行穩定,極少出現故障,無油壓系統溫升之因擾。
☆零泄漏:采用進口品牌進口密封件:英國HALLIET油封和日本NOK氣封,具有很強的抗摩擦及抗擠出特點,高密封性及耐用性。
☆關于保修:國內真正實現2年免費保修的氣液增壓設備廠家,售后無憂。
☆能耗低:機械持續加壓或停止動時, 液壓系統馬達仍須運轉,與之相比,動力來源取得方便,實際能耗相當于液壓系統的10%-30%
☆易維護:缸體結構簡單輕巧,搬運方便,故維護相當簡單。
☆26年高品質增壓缸品牌,性價比高,質量比較穩定,耐用,是機械商家不錯的選擇。
☆玖容-國內較早研發生產氣動增壓缸、液壓增壓缸、標準型增壓缸的廠家之一,專業品質保障。

東莞市玖容氣動液壓設備有限公司是一家30年專業研發生產制造氣液增壓缸、氣液增壓器、氣液增壓機、氣體增壓泵、倍力氣缸等氣液轉化元件之相關高新科技企業,擁有行業內完善的行業綜合解決方案,幫助過3000多家企業進行了針對性產品定制,服務過上萬家客戶。
公司1992年成立于臺灣省新竹縣。擁有一批資深的研發團隊,專業致力于氣液轉化元件的研發與生產。經多年磨練,現公司研發產品有:氣液增壓缸、氣液增壓機、氣液壓力機、氣液增壓器、空氣增壓泵、倍力氣缸、電缸、伺服壓力機等系列氣動液壓設備。該類產品均采用現代先進設備(CNC)制造,配選日本,意大利等知名品牌密封件,其設計新穎,性能獨特,所生產產品均能達到“出力大,速度快,精度高,壽命長,無泄漏,節能源”等優點。


